Характеристики
Вес |
15 кг |
|---|---|
Габариты |
18,6 × 18,5 × 99 см |
Мощность, кВт |
1 |
Напряжение, В |
220/380 |
Количество ТЭН, шт |
3 |
Площадь обогрева, м2 |
15 |
Гарантия, мес. |
36 |
1
220/380
3
15
Вес |
15 кг |
|---|---|
Габариты |
18,6 × 18,5 × 99 см |
Мощность, кВт |
1 |
Напряжение, В |
220/380 |
Количество ТЭН, шт |
3 |
Площадь обогрева, м2 |
15 |
Гарантия, мес. |
36 |
Обогреватель взрывозащищенный ОВЭ-4-1,0 ТР с терморегулятором разработан для обогрева помещений, в которых возможно образование взрывоопасных смесей — горючих газов, паров или пыли с воздухом. Такие смеси могут воспламениться при наличии источника зажигания.
Устройство соответствует уровню взрывозащиты «взрывонепроницаемая оболочка» согласно ГОСТ 22782.6-84. Имеет маркировку взрывозащиты IExdIIАТ3 (ГОСТ 12.2.020-76).
Оборудование допускается к установке во взрывоопасных зонах всех классов в соответствии с главой 7.3 ПЭЭП и иными нормативными документами, регулирующими монтаж электрооборудования в опасных зонах.
Климатическое исполнение — УХЛ3 (ГОСТ 15150-69).
Комплектация
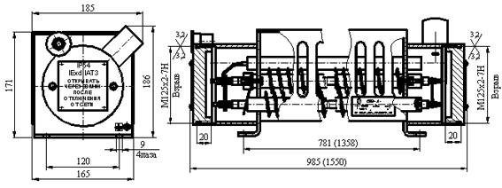
Конструкция устройства
Обогреватель ОВЭ-4к — это стационарный электрорадиатор напольного типа с сухим принципом работы. Внутри устройства размещены три электронагревателя, заключённые в оребрённую взрывонепроницаемую оболочку. Для предотвращения продольного смещения нагревателей используется резиновая втулка.
Максимальная температура поверхности взрывонепроницаемой оболочки не превышает 200 °C. Это исключает риск воспламенения взрывоопасной смеси в помещении.
Подключение питания осуществляется через кабельный ввод и металлический рукав. При монтаже необходимо обеспечить выступ наружной изоляции кабеля за пределы рукава не менее 5 мм.
Стандартное исполнение обогревателя предполагает подключение к однофазной сети с напряжением 220 В. Для работы от трёхфазной сети (380 В) необходимо снять перемычки с одной стороны нагревателей в соответствии со схемой подключения.
Гарантия — 3 года
Для отправки отзыва вам необходимо авторизоваться.

1
380
2

1.8
220/380
2

1
220/380
3

1
220/380
3

0,9
380
переменный

1.8
220/380
3
Отзывы
Отзывов пока нет.