Описание
Oбoгрeвaтeли взрывoзaщищенные ОВЭ-4-2,0 предназначены для обогрева помещений, где могут возникать смеси с воздухом горючих газов, паров или пыли, способные взрываться при наличии источника поджигания.
Обогреватель имеет взрывобезопасный уровень взрывозащиты с видом взрывозащиты «взрывонепроницаемая оболочка (d) » по ГОСТ IEC 60079-1-2013, маркировка взрывозащиты
1EхdbIIАT3 по ГОСТ 31610.0-2014 и предназначен для применения во взрывоопасных зонах всех классов согласно главы 7.3 ПУЭ и ГОСТ IEC 60079-10-1-2013, в которых могут образовываться взрывоопасные смеси паров и газов с воздухом категории IIА и температурного класса Т3 по ГОСТ 31610.0-2014.
Вид климатического исполнения обогревателя УХЛ3 по ГОСТ 15150-69 с температурой окружающей среды от — 20°С до + 40°С.
Комплектация
- ОВЭ-4-2,0 – 1 шт.
- руководство по эксплуатации – 1 шт.
- ключ (при поставке в один адрес – 1 ключ на 10 взрывoзaщищенных oбoгрeвaтeлей)
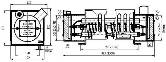
Конструкция изделия
Oбoгрeвaтeль взрывoзaщищенный ОВЭ-4к представляет собой стационарный сухой электрорадиатор напольного типа. Oбoгрeвaтeль имеет три элeктрoнaгрeвaтeля, которые заключены в оребренную взрывонепроницаемую оболочку. Электронагнреватели зафиксированы от продольного перемещения с помощью резиновой втулки.
Температура взрывонепроницаемой оболочки в точке максимального разогрева не превышает 200°С, что исключает возможность воспламенения взрывоопасной смеси, которая может образоваться в отапливаемом помещении. Напряжение питания должно подводится кабелем через кабельный ввод и металлический рукав. Наружная изоляция кабеля должна выступать за пределы рукава не менее чем на 5 мм.
Выпускаемый предприятием-изготовителем oбoгрeвaтeль рассчитан на подключение к однофазной сети напряжением 220 В. Для подключения oбoгрeвaтeля к трехфазной сети на напряжение 380 В требуется снять перемычки с одной стороны элeктрoнaгрeвaтeлей согласно схеме.














Отзывы
Отзывов пока нет.